熱塑性塑封類車用電磁線圈
型號:SB868/XY17352
類別:熱塑性電磁線圈
品牌:星宇XINGYU
產地:寧波奉化
技術參數
| 常規電壓 | DC12V DC24V | |
| 常規功率 | AC | |
| DC | 18W 23W | |
| 其他特種電壓、特種功率可定做 | ||
| 絕緣等級 | H | |
| 線圈連接方式 | 螺紋式 | |
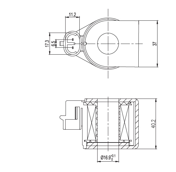
結構尺寸

公司簡介

制造能力

行業應用

合作伙伴

服務網絡

上一篇:圓頭指針式排水閥電子定時器
下一篇:熱塑性塑封類燃氣車用尾氣電磁線圈

型號:SB868/XY17352
類別:熱塑性電磁線圈
品牌:星宇XINGYU
產地:寧波奉化
技術參數
| 常規電壓 | DC12V DC24V | |
| 常規功率 | AC | |
| DC | 18W 23W | |
| 其他特種電壓、特種功率可定做 | ||
| 絕緣等級 | H | |
| 線圈連接方式 | 螺紋式 | |
結構尺寸

公司簡介

制造能力

行業應用

合作伙伴

服務網絡

上一篇:圓頭指針式排水閥電子定時器
下一篇:熱塑性塑封類燃氣車用尾氣電磁線圈
型號:SB839/CS13392-2
型號:SB057/BD-A
型號:SB520/BN13353
型號:SB242/HB700