熱塑性塑封類DL系列蒸汽閥電磁線圈
型號:SB242/HB700
類別:熱塑性電磁線圈
品牌:星宇XINGYU
產地:寧波奉化
技術參數
| 常規電壓 | AC220V AC110V DC24V DC12V | |
| 常規功率 | AC | 15VA |
| DC | 10W | |
| 其他特種電壓、特種功率可定做 | ||
| 絕緣等級 | H、N | |
| 線圈連接方式 | DIN43650A | |
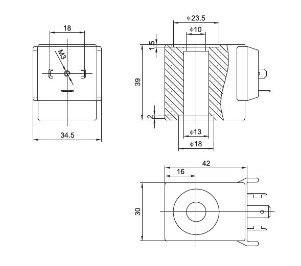
結構尺寸

公司簡介

制造能力

行業應用

合作伙伴

服務網絡

上一篇:熱塑性塑封類汽車用電磁線圈
下一篇:熱塑性塑封類制冷專用電磁閥線圈

型號:SB242/HB700
類別:熱塑性電磁線圈
品牌:星宇XINGYU
產地:寧波奉化
技術參數
| 常規電壓 | AC220V AC110V DC24V DC12V | |
| 常規功率 | AC | 15VA |
| DC | 10W | |
| 其他特種電壓、特種功率可定做 | ||
| 絕緣等級 | H、N | |
| 線圈連接方式 | DIN43650A | |
結構尺寸

公司簡介

制造能力

行業應用

合作伙伴

服務網絡

上一篇:熱塑性塑封類汽車用電磁線圈
下一篇:熱塑性塑封類制冷專用電磁閥線圈
型號:SB749/XY13182
型號:SB085/K23D-3
型號:SB587/HD15583
型號:SB748/VMG55