熱固性塑封類海隆系列0927電磁線圈
型號:SB050/0200
類別:熱固性電磁線圈
品牌:星宇XINGYU
產地:寧波奉化
技術參數
常規電壓 | AC220V AC110V DC24V DC12V | |
常規功率 | AC | 19VA |
DC | 15W | |
其他特種電壓、特種功率可定做 | ||
絕緣等級 | F、H | |
線圈連接方式 | DIN43650A | |
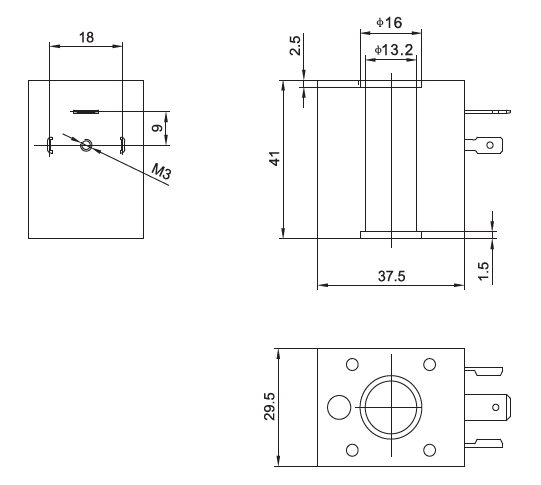
結構尺寸

原料展示

公司簡介

制造能力

行業應用

合作伙伴

服務網絡

下一篇:熱固性塑封類二位二通電磁線圈

型號:SB050/0200
類別:熱固性電磁線圈
品牌:星宇XINGYU
產地:寧波奉化
技術參數
常規電壓 | AC220V AC110V DC24V DC12V | |
常規功率 | AC | 19VA |
DC | 15W | |
其他特種電壓、特種功率可定做 | ||
絕緣等級 | F、H | |
線圈連接方式 | DIN43650A | |
結構尺寸

原料展示

公司簡介

制造能力

行業應用

合作伙伴

服務網絡

下一篇:熱固性塑封類二位二通電磁線圈
型號:SB258/PF2-L
型號:SB401/MP-C-011
型號:SB559/XY1005
型號:SB1011/0200F