熱固性塑封類氣動 蒸汽類電磁閥引線式線圈
型號:SB401/MP-C-011
類別:熱固性電磁線圈
品牌:星宇XINGYU
產地:寧波奉化
技術參數
常規電壓 | AC220V AC110V DC24V DC12V | |
常規功率 | AC | 28W |
DC | 30W | |
其他特種電壓、特種功率可定做 | ||
絕緣等級 | H | |
線圈連接方式 | 引線式 | |
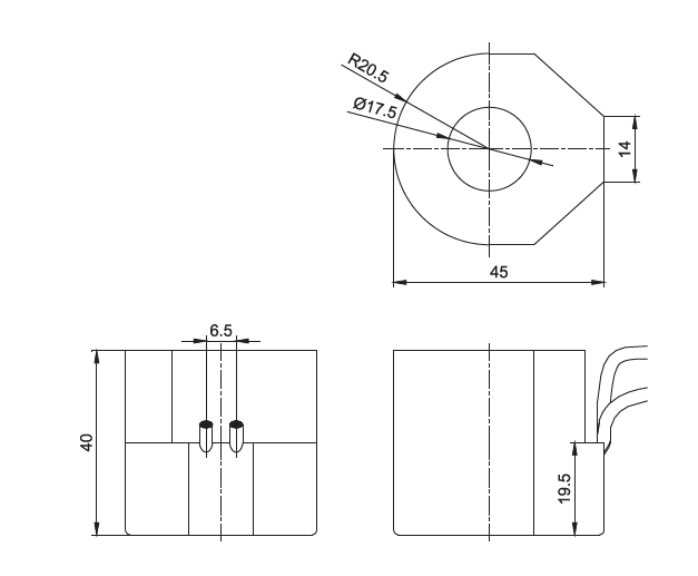
結構尺寸

公司簡介

制造能力

行業應用

合作伙伴

服務網絡

上一篇:熱固性塑封類高頻閥引線式電磁線圈
下一篇:熱固性塑封類自帶先導組件電磁線圈

型號:SB401/MP-C-011
類別:熱固性電磁線圈
品牌:星宇XINGYU
產地:寧波奉化
技術參數
常規電壓 | AC220V AC110V DC24V DC12V | |
常規功率 | AC | 28W |
DC | 30W | |
其他特種電壓、特種功率可定做 | ||
絕緣等級 | H | |
線圈連接方式 | 引線式 | |
結構尺寸

公司簡介

制造能力

行業應用

合作伙伴

服務網絡

上一篇:熱固性塑封類高頻閥引線式電磁線圈
下一篇:熱固性塑封類自帶先導組件電磁線圈
型號:SB043/DHF
型號:SB1011/0200F
型號:SB771/XY11403

本產品可廣泛應用于汽車、制冷、家電等氣動、液壓行業,采用耐溫好、防水性能高的BMC包塑材料,低碳高導磁鋼作為導磁材料,絕緣等級達到180℃(H)、200℃(N)...
查看詳情型號:XT13415