| 名稱: | 雙作用/單作用多規格氣動執行器球閥蝶閥配用 |
| 型號: | RAT075DA |
| 類別: | 氣動執行器 |
| 品牌: | 星宇電子 |
| 產地: | 寧波奉化 |
| 價格: | 面議 |
產品簡介
RAT雙作用氣動執行器在綜合運用國內外新技術、新材料、新工藝和創新觀念的基礎上進行研制、開發、設計而成,擠壓的高強度鋁制缸體,內表面經細磨及硬質陽極氧化處理,使用壽命長,摩擦系數低、動作迅速。
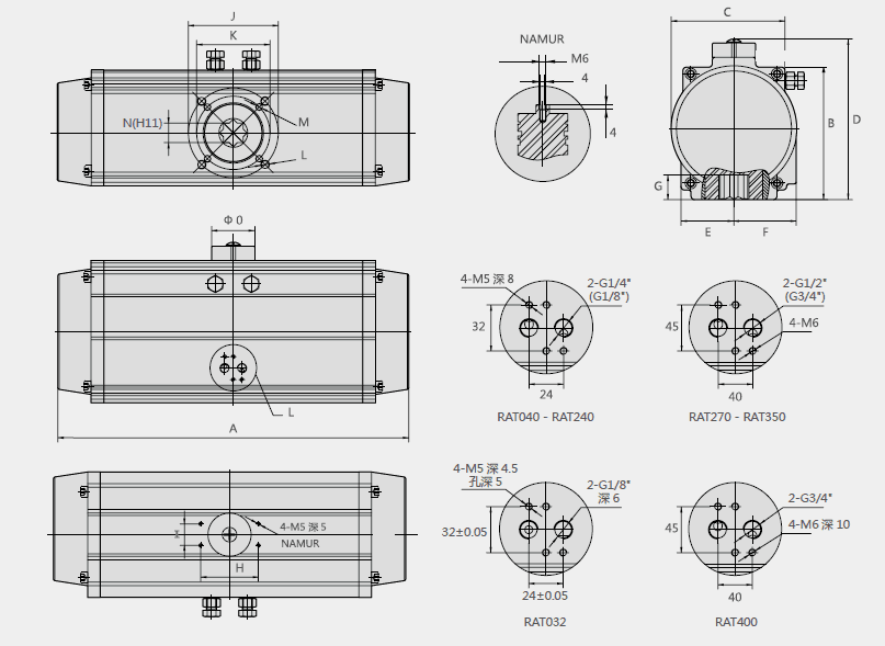
結構尺寸

技術參數
| RAT190SA | 5 | 429 | 320.4 | 644.5 | 535.9 | 217.4 | 326 | ||||||
| 6 | 385.5 | 255.5 | 601 | 470.7 | 260.9 | 391.2 | |||||||
| 7 | 342 | 190 | 557.5 | 405.5 | 304.4 | 456.4 | |||||||
| 8 | 514 | 340.3 | 729.5 | 555.8 | 347.9 | 521.6 | |||||||
| 9 | 470.6 | 275.1 | 686.1 | 490.6 | 391.3 | 586.8 | |||||||
| 10 | 427.1 | 209.9 | 642.6 | 425.4 | 858.1 | 640.9 | 1073.6 | 856.4 | 434.8 | 652 | |||
| 11 | 599.1 | 360.2 | 814.6 | 575.7 | 1030.1 | 791.2 | 478.3 | 717.2 | |||||
| 12 | 555.6 | 295 | 771.1 | 510.5 | 986.6 | 726 | 521.8 | 782.4 | |||||
| RAT210SA | 5 | 589.6 | 440.6 | 885.7 | 736.7 | 298.8 | 447.8 | ||||||
| 6 | 529.8 | 351.1 | 825.9 | 647.2 | 358.6 | 537.3 | |||||||
| 7 | 470.1 | 261.5 | 766.2 | 557.6 | 418.3 | 626.9 | |||||||
| 8 | 706.4 | 468.1 | 1002.5 | 764.2 | 478.1 | 716.4 | |||||||
| 9 | 646.7 | 375.5 | 942.8 | 671.6 | 537.8 | 809 | |||||||
| 10 | 586.9 | 289 | 883 | 585.1 | 1179.1 | 881.2 | 1475.2 | 1177.3 | 597.6 | 895.5 | |||
| 11 | 823.2 | 495.5 | 1119.3 | 791.6 | 1415.4 | 1087.7 | 657.4 | 958.1 | |||||
| 12 | 763.5 | 406 | 1059.6 | 702.1 | 1355.7 | 998.2 | 717 | 1074.6 | |||||
| RAT240SA | 5 | 924 | 690.5 | 1488.1 | 1154.6 | 468.5 | 702 | ||||||
| 6 | 829.9 | 550.1 | 1294 | 1014.2 | 562.6 | 842.4 | |||||||
| 7 | 736.7 | 409.7 | 1200.8 | 873.8 | 655.8 | 982.8 | |||||||
| 8 | 1107.1 | 733.4 | 1571.3 | 1197.6 | 749.5 | 1123.2 | |||||||
| 9 | 1013.4 | 593 | 1477.6 | 1057.2 | 843.2 | 1263.6 | |||||||
| 10 | 919.7 | 452.6 | 1383.9 | 916.8 | 1848.1 | 1381 | 2312.2 | 1845.1 | 936.9 | 1404 | |||
| 11 | 1290.2 | 776.4 | 1754.4 | 1240.6 | 2218.5 | 1704.7 | 1030.6 | 1544.4 | |||||
| 12 | 1196.5 | 636 | 1660.7 | 1100.2 | 2124.8 | 1564.3 | 1124.3 | 1684.8 | |||||
| RAT270SA | 5 | 1299.7 | 971.2 | 1952.4 | 1623.9 | 658.5 | 987 | ||||||
| 6 | 1168 | 773.8 | 1820.7 | 1426.5 | 790.2 | 1184.4 | |||||||
| 7 | 1036.3 | 576.4 | 1689 | 1229.1 | 921.9 | 1381.8 | |||||||
| 8 | 1557.3 | 1031.7 | 2210 | 1684.4 | 1053.6 | 1579.2 | |||||||
| 9 | 1425.6 | 834.3 | 2078.3 | 1487 | 1185.3 | 1776.6 | |||||||
| 10 | 1293.9 | 636.9 | 1946.6 | 1289.6 | 2599.3 | 1942.3 | 3252 | 2595 | 1317 | 1974 | |||
| 11 | 1814.9 | 1092.2 | 2467.6 | 1744.9 | 3120.3 | 2397.6 | 1448.7 | 2171.4 | |||||
| 12 | 1683.2 | 894.8 | 2335.9 | 1547.5 | 2988.6 | 2200.2 | 1580.4 | 2368.8 |
廠房設備
自動化設備與檢測設備
生產車間
行業應用
榮譽證書
主要客戶
銷售網絡
公司簡介
客戶服務
聯系我們

灰鑄鐵蝶板氣動對夾式軟密封氣動雙向蝶閥
型號:DV80氣動蝶閥 地址:浙江省寧波市奉化區江口街道方橋工業園區恒豐路2號
傳真:0574-88846999
電話:0574-88846983 0574-89017255 0574-88848607
郵箱:webmaster@xyelectron.com