16孔2W二位二通防爆電磁線圈
型號:1680/1681
類別:防爆電磁線圈
品牌:星宇XINGYU
產地:寧波奉化
產品簡介
16孔徑適用于2W二位二通防爆電磁閥線圈。
技術參數
常規電壓 | AC220V AC110V DC24V DC12V | |
常規功率 | AC | 18VA |
DC | 17W | |
其他特種電壓、特種功率可定做 | ||
防爆等級 | Exmb I Mb Ex mb ll T4 Gb DIP A20 TA T4 | |
線圈連接方式 | 電纜線 | |
生產許可證號 | XK06-014-00295 | |
防爆合格證號 | CNEx13.1598X | |
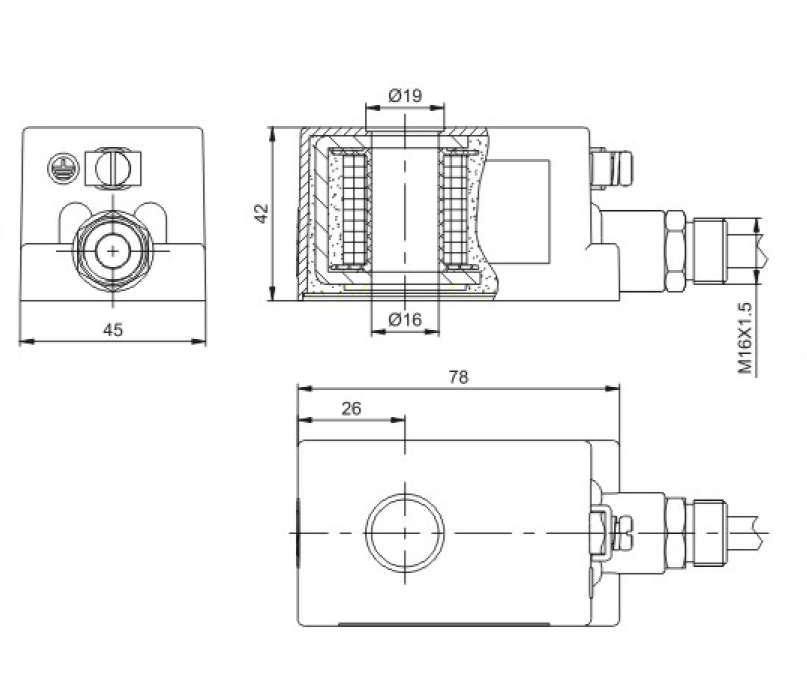
結構尺寸

公司簡介

制造能力

行業應用

合作伙伴

服務網絡

上一篇:14孔PU系列防爆電磁閥線圈
下一篇:17孔二通電磁閥防爆線圈





