熱固性塑封類ABS系統汽車專用電磁線圈
型號:SB790/ABS3550
類別:熱固性電磁線圈
品牌:星宇XINGYU
產地:寧波奉化
技術參數
| DC24V | ||
| 常規功率 | AC | |
| DC | 37.5W×2 | |
| 其他特種電壓、特種功率可定做 | ||
| 絕緣等級 | H | |
| 線圈連接方式 | 接插式 | |
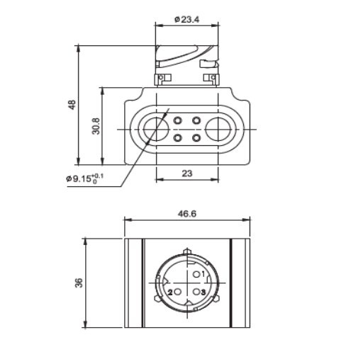
結構尺寸

公司簡介

制造能力

行業應用

合作伙伴

服務網絡

上一篇:熱固性塑封類小型電磁閥線圈
下一篇:熱固性塑封類氣動蒸汽閥電磁線圈

型號:SB790/ABS3550
類別:熱固性電磁線圈
品牌:星宇XINGYU
產地:寧波奉化
技術參數
| DC24V | ||
| 常規功率 | AC | |
| DC | 37.5W×2 | |
| 其他特種電壓、特種功率可定做 | ||
| 絕緣等級 | H | |
| 線圈連接方式 | 接插式 | |
結構尺寸

公司簡介

制造能力

行業應用

合作伙伴

服務網絡

上一篇:熱固性塑封類小型電磁閥線圈
下一篇:熱固性塑封類氣動蒸汽閥電磁線圈
型號:SB258/PF2-L
型號:SB798/XY20553EX
型號:SB579F/AU4V210X
型號:SB870/K54