DN25氣控直角水閥
型號:RQ22HD-25
類別:直角水閥
品牌:星宇XINGYU
產地:寧波奉化
技術參數
| 型號 | RQ22HD |
| 閥體材質 | 銅 |
| 工作介質 | 壓縮空氣水油 |
| 位置數 | 二位二通 |
| 動作方式 | 雙作用 |
| 工作壓力 | 0~0.8MPa |
| 工作溫度 | -5℃-80℃ -20℃-150℃ |
| 密封材質 | NBR/FKM |
| 接管口徑(1) | 1/2" 3/4" 1" 1-1/2" 2" |
| (⑴)接管螺紋有G螺紋和NPT螺紋。 | |

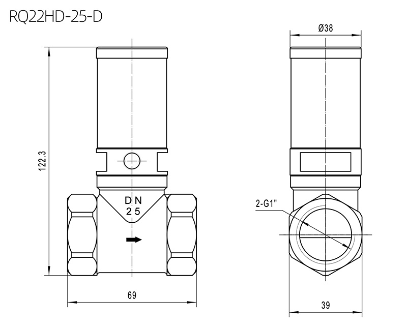
結構尺寸

型號說明

產品細節

產品特點

安裝說明

公司簡介

制造能力

行業應用

合作伙伴

服務網絡

上一篇:DN20氣控直角水閥
下一篇:DN40氣控直角水閥





