淹沒螺紋式電磁脈沖閥
型號:RMF-Y
類別:電磁脈沖閥
品牌:星宇XINGYU
產地:寧波奉化
技術參數
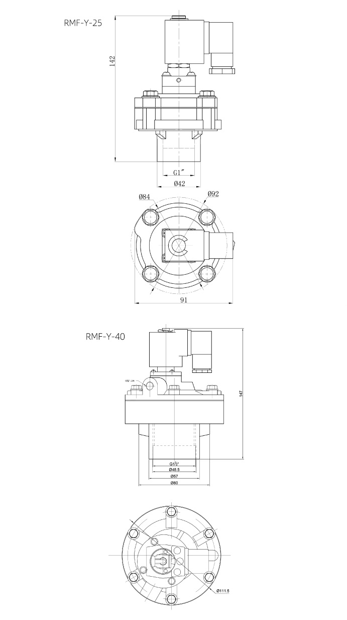
| 產品型號 | RMF-Y-25 | RMF-Y-40 |
| 工作壓力 | 0.3~0.8MPa | |
| 環境溫度 | -5℃~+55℃ | |
| 相對濕度 | <85% | |
| 使用介質 | 清潔空氣 | |
| 電壓 | AC110V/AC220V/DC24V | |
| 膜片壽命 | 噴吹100萬次以上 | |
| 公稱通徑 | Φ25mm | Φ25m |
| 接口通徑 | G1" | G1-1/2" |
結構尺寸

產品特性

安裝說明

公司簡介

制造能力

行業應用

合作伙伴

服務網絡

上一篇:防爆型淹沒螺紋式電磁脈沖閥
下一篇:防爆型直角單插管式電磁脈沖閥





